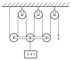
図のような組合せ滑車を用いて質量24tの荷をつり上げるとき、これを支えるために必要な力Fは1~5のうちどれか。ただし、重力の加速度は9.8m/s2とし、滑車及びワイヤロープの質量、摩擦等は考えないものとする。

1:9.8kN
2:19.1kN
3:39.2kN
4:58.8kN
5:78.4kN
答:3
★みんなの正解率73.9%
覚えよう!
滑車装置の荷を引っ張る力=質量÷動滑車に働く荷重を支えるロープの数×重力の加速度
=24t÷6本×9.8m/s2
=39.2kN
平成25年後期-問40の情報
※当サイト独自調査によるものです。
| カテゴリ | 力学 |
|---|---|
| 出題分野 | 滑車と必要な力 |
| 類似問題の出題率(令和7年前期まで) | |||
|---|---|---|---|
| 過去5回 | 100.0% | 前回~5回前 | 100.0% |
| 過去10回 | 100.0% | 6回前~10回前 | 100.0% |
| 過去15回 | 100.0% | 11回前~15回前 | 100.0% |
| 過去20回 | 100.0% | 16回前~20回前 | 100.0% |
| 過去25回 | 100.0% | 21回前~25回前 | 100.0% |
| 過去30回 | 100.0% | 26回前~30回前 | 100.0% |
| 過去35回 | 100.0% | 31回前~35回前 | 100.0% |
| とことん類似問題! | |
|---|---|
| 令和7年前期-問40 | 図のような滑車を用いて、質量Wの荷をつり上げるとき、荷を支えるために必要な力Fを求める式がそれぞれの図の下部に記載してあるが、これらの力Fを求める式として、適切でないものは1~5のうちどれか。ただし、gは重力の加速度とし、滑車及びワイヤロープの質量並びに摩擦は考えないものとする。 |
| 令和6年後期-問40 | 下図に掲げるAからEまでの滑車を用いて、質量Wの荷をつり上げるとき、荷を支えるために必要な力Fを求める式がそれぞれの図の下部に記載してあるが、これらの力Fを求める式として、適切でないもののみを全て挙げた組合せは1~5のうちどれか。ただし、gは重力の加速度とし、滑車及びワイヤロープの質量並びに摩擦は考えないものとする。 |
| 令和6年前期-問40 | 図のような組合せ滑車を用いて質量200kgの荷をつるとき、これを支えるために必要な力Fの値は1~5のうちどれか。ただし、重力の加速度は9.8m/s2とし、滑車及びワイヤロープの質量並びに摩擦は考えないものとする。 |
| 令和5年後期-問40 | 図のような滑車を用いて、質量Wの荷をつり上げるとき、荷を支えるために必要な力Fを求める式がそれぞれの図の下部に記載してあるが、これらの力Fを求める式として、誤っているものは1~5のうちどれか。ただし、gは重力の加速度とし、滑車及びワイヤロープの質量並びに摩擦は考えないものとする。 |
| 令和5年前期-問40 | 図のような組合せ滑車を用いて質量400kgの荷をつるとき、これを支えるために必要な力Fの値は1~5のうちどれか。 ただし、重力の加速度は9.8m/s2とし、滑車及びワイヤロープの質量並びに摩擦は考えないものとする。 |
| 令和4年後期-問40 | 図のような組合せ滑車を用いて質量200kgの荷をつるとき、これを支えるために必要な力Fの値は1~5のうちどれか。 ただし、重力の加速度は9.8m/s2とし、滑車及びワイヤロープの質量並びに摩擦は考えないものとする。 |
| 令和4年前期-問40 | 図のような滑車を用いて、質量Wの荷をつり上げるとき、荷を支えるために必要な力Fを求める式がそれぞれの図の下部に記載してあるが、これらの力Fを求める式として、誤っているものは1~5のうちどれか。 ただし、gは重力の加速度とし、滑車及びワイヤロープの質量並びに摩擦は考えないものとする。 |
| 令和3年後期-問40 | 図のような滑車を用いて、質量Wの荷をつり上げるとき、荷を支えるために必要な力Fを求める式がそれぞれの図の下部に記載してあるが、これらの力Fを求める式として、誤っているものは1~5のうちどれか。 ただし、gは重力の加速度とし、滑車及びワイヤロープの質量並びに摩擦は考えないものとする。 |
| 令和3年前期-問40 | 図のような滑車を用いて質量Wの荷をつり上げるとき、荷を支えるために必要な力Fを求める式がそれぞれの図の下部に記載してあるが、これらFを求める式として、誤っているものは1~5のうちどれか。 ただし、gは重力の加速度とし、滑車及びワイヤロープの質量並びに摩擦は考えないものとする。 |
| 令和2年後期-問40 | 図のような滑車を用いて、質量Wの荷をつるとき、それぞれの図の下部に記載してあるこれを支えるために必要な力Fを求める式として、誤っているものは1~5のうちどれか。 ただし、gは重力の加速度とし、滑車及びワイヤロープの質量並びに摩擦は考えないものとする。 |
| 令和2年前期-問40 | 図のような組合せ滑車を用いて質量150kgの荷を2個つるとき、これを支えるために必要な力Fの値に最も近いものは1~5のうちどれか。 ただし、重力の加速度は9.8m/s2とし、滑車及びワイヤロープの質量並びに摩擦は考えないものとする。 |
| 令和元年後期-問40 | 図のような組合せ滑車を用いて質量300kgの荷をつるとき、これを支えるために必要な力Fの値に最も近いものは1~5のうちどれか。 ただし、重力の加速度は9.8m/s2とし、滑車及びワイヤロープの質量並びに摩擦は考えないものとする。 |
| 平成31年前期-問40 | 図のような組合せ滑車を用いて質量150kgの荷を2個つるとき、これを支えるために必要な力Fの値に最も近いものは1~5のうちどれか。 ただし、重力の加速度は9.8m/s2とし、滑車及びワイヤロープの質量並びに摩擦は考えないものとする。 |
| 平成30年後期-問40 | 図のような組合せ滑車を用いて質量300kgの荷をつるとき、これを支えるために必要な力Fの値に最も近いものは1~5のうちどれか。 ただし、重力の加速度は9.8m/s2とし、滑車及びワイヤロープの質量並びに摩擦は考えないものとする。 |
| 平成30年前期-問40 | 図のような組合せ滑車を用いて質量350kgの荷をつるとき、これを支えるために必要な力Fの値に最も近いものは1~5のうちどれか。 ただし、重力の加速度は9.8m/s2とし、滑車及びワイヤロープの質量並びに摩擦は考えないものとする。 |
| 平成29年後期-問40 | 図のような組合せ滑車を用いて質量200kgの荷をつるとき、これを支えるために必要な力Fの値は1~5のうちどれか。 ただし、重力の加速度は9.8m/S2とし、滑車及びワイヤロープの質量並びに摩擦は考えないものとする。 |
| 平成29年前期-問40 | 図のような組合せ滑車を用いて質量200kgの荷をつるとき、これを支えるために必要な力Fの値は1~5のうちどれか。 ただし、重力の加速度は9.8m/s2とし、滑車及びワイヤロープの質量並びに摩擦は考えないものとする。 |
| 平成28年後期-問40 | 図のような組合せ滑車を用いて質量40tの荷をつるとき、これを支えるために必要な力Fの値に最も近いものは、次の1~5のうちどれか。 ただし、重力の加速度は9.8m/s2とし、滑車及びワイヤロープの質量並びに摩擦は考えないものとする。 |
| 平成28年前期-問39 | 図のような組合せ滑車を用いて質量20tの荷をつるとき、これを支えるために必要な力Fは、1~5のうちどれか。ただし、重力の加速度は9.8m/s2とし、滑車及びワイヤロープの質量並びに摩擦は考えないものとする。 |
| 平成27年後期-問39 | 図のような組合せ滑車を用いて質量20kgの荷をつるとき、これを支えるために必要な重りの質量Wは、1~5のうちどれか。 ただし、滑車及びワイヤロープの質量並びに摩擦は考えないものとする。 |
| 平成27年前期-問40 | 図のような組合せ滑車を用いて質量400kgの荷をつるとき、これを支えるために必要な力Fは、1~5のうちどれか。 ただし、重力の加速度は9.8m/s2とし、滑車及びワイヤロープの質量並びに摩擦は考えないものとする。 |
| 平成26年後期-問40 | 図のような組合せ滑車を用いて質量200kgの荷をつるとき、これを支えるために必要な力Fは、1~5のうちどれか。 ただし、重力の加速度は9.8m/s2とし、滑車及びワイヤロープの質量並びに摩擦は考えないものとする。 |
| 平成26年前期-問38 | 図のように一体となっている滑車A及びBがあり、Aに質量4tの荷をかけたとき、この荷を支えるために必要なBにかける力Fは、1~5のうちどれか。 ただし、重力の加速度は9.8m/s2とし、ワイヤロープの質量、摩擦等は考えないものとする。 |
|
平成25年後期-問40 |
|
| 平成25年前期-問39 | 図のような滑車を用いて、質量Wの荷をつり上げるとき、これを支えるために必要な力Fを求める式として、誤っているものは次のうちどれか。 ただし、gは重力の加速度とし、滑車及びワイヤロープの質量、摩擦等は考えないものとする。 |
| 平成24年後期-問40 | 図のような組合せ滑車を用いて質量8tの荷をつり上げるとき、これを支えるために必要な力Fは、1~5のうちどれか。 ただし、重力の加速度は9.8m/s2とし、滑車及びワイヤロープの質量、摩擦等は考えないものとする。 |
| 平成24年前期-問33 | 図のような組合せ滑車を用いて質量400kgの荷をつり上げるとき、これを支えるために必要な力Fは、1~5のうちどれか。 ただし、重力の加速度は9.8m/s2とし、滑車及びワイヤロープの質量、摩擦等は考えないものとする。 |
| 平成23年後期-問40 | 図のような組合せ滑車を用いて質量24tの荷をつり上げるとき、これを支えるために必要な力Fは1~5のうちどれか。 ただし、重力の加速度は9.8m/s2とし、滑車及びワイヤロープの質量、摩擦等は考えないものとする。 |
| 平成23年前期-問38 | 図のような組合せ滑車を用いて質量Wの荷をつり上げるとき、これを支えるために必要な力Fは、1~5のうちどれか。 ただし、gは重力の加速度とし、滑車及びワイヤロープの質量、摩擦等は考えないものとする。 |
| 平成22年後期-問40 | 図のような組合せ滑車を用いて、質量Wの荷をつり上げるとき、これを支えるために必要な力Fを求める式として、誤っているものは次のうちどれか。 ただし、gは重力の加速度とし、滑車及びワイヤロープの質量、摩擦等は考えないものとする。 |
| 平成22年前期-問40 | 図のように一体となっている滑車A及びBがあり、Aに質量5tの荷をかけるとき、この荷を支えるために必要なBにかける力Fは次のうちどれか。 ただし、重力の加速度は9.8m/s2とし、ワイヤロープの質量、摩擦等は考えないものとする。 |
| 平成21年後期-問40 | 図のように一体となっている滑車A及びBがあり、Aに質量5tの荷をかけたとき、この荷を支えるために必要なBにかける力Fは次のうちどれか。 ただし、重力の加速度は9.8m/s2とし、ワイヤロープの質量と摩擦は考えないものとする。 |
| 平成21年前期-問40 | 図のような組合せ滑車を用いて、質量Wの荷をつり上げ支えるとき、それぞれのロープにかかる張力Fとして、誤っているものは次のうちどれか。 ただし、gは重力の加速度とし、滑車、ワイヤロープの質量、摩擦等は考えないものとする。 |
| 平成20年後期-問40 | 図のような組合せ滑車を用いて、質量Wの荷をつり上げ支えるとき、それぞれのロープにかかる張力Fとして、誤っているものは次のうちどれか。 ただし、gは重力の加速度とし、滑車、ワイヤロープの質量、摩擦等は考えないものとする。 |
| 平成20年前期-問40 | 図のような組合せ滑車を用いて、質量Wの荷をつり上げ支えるとき、ロープにかける張力Fとして、誤っているものは次のうちどれか。 ただし、gは重力の加速度とし、滑車、ワイヤロープの質量、摩擦等は考えないものとする。 |
| 平成19年後期-問40 | 図のように一体となっている滑車で滑車Aに質量5tの荷をかけたとき、この荷を支えるために必要な滑車Bにかける力Fは次のうちどれか。 ただし、重力の加速度は9.8m/s2とし、ワイヤロープの質量と摩擦は考えないものとする。 |
| 平成19年前期-問40 | 図のような組合せ滑車を使用し、質量8tの荷を支えるために必要な力Fは、次のうちどれか。 ただし、重力の加速度は9.8m/s2とし、滑車の質量、摩擦は考えないものとする。 |
| 平成18年後期-問40 | 下図のような組合せ滑車を使用して質量35tの荷をつり上げたとき、荷を上げるために必要な最小の力Fは、次のうちどれか。 ただし、滑車の質量と摩擦等は考えないものとする。 |
| 平成18年前期-問40 | 図のような組合せ滑車を使用し、質量6tの荷をつり上げるために必要な最小の力Fは、次のうちどれか。 ただし、滑車の質量、摩擦等は考えないものとする。 |