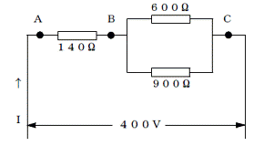
図のような回路について、BC間の合成抵抗Rの値と、AC間に400Vの電圧を加えたときに流れる電流Iの値の組合せとして、正しいものは1~5のうちどれか。

1:R=660Ω I=0.3A
2:R=660Ω I=0.5A
3:R=360Ω I=0.4A
4:R=360Ω I=0.8A
5:R=260Ω I=1A
答:4
★みんなの正解率74.6%
覚えよう!
BC間の合成抵抗={1/(1/900+1/600)}=360Ω
回路(AC間)の合成抵抗=140+360=500Ω
この場合の電流=400V/500Ω=0.8A
平成23年前期-問25の情報
※当サイト独自調査によるものです。
| カテゴリ | 原動機・電気 |
|---|---|
| 出題分野 | 合成抵抗・電流等の計算 |
| 類似問題の出題率(令和7年前期まで) | |||
|---|---|---|---|
| 過去5回 | 80.0% | 前回~5回前 | 80.0% |
| 過去10回 | 80.0% | 6回前~10回前 | 80.0% |
| 過去15回 | 60.0% | 11回前~15回前 | 20.0% |
| 過去20回 | 55.0% | 16回前~20回前 | 40.0% |
| 過去25回 | 52.0% | 21回前~25回前 | 40.0% |
| 過去30回 | 46.7% | 26回前~30回前 | 20.0% |
| 過去35回 | 40.0% | 31回前~35回前 | 0.0% |
| とことん類似問題! | |
|---|---|
| 令和7年前期-問22 | 図のような回路について、AE間に60Vの電圧をかけたときの電流I(A)、電圧E(V)、抵抗R(Ω)の値に関する記述として、適切でないものは1~5のうちどれか。 |
| 令和6年後期-問22 | 図のような回路について、AE間に60Vの電圧をかけたときの電流I(A)、電圧E(V)、抵抗R(Ω)の値に関する記述として、適切でないものは1~5のうちどれか。 |
| 令和6年前期-問22 | 図のような回路について、AC間に100Vの電圧をかけたときの電流I(A)、電圧E(V)、抵抗R(Ω)の値に関する記述として、適切なものは1~5のうちどれか。 |
| 令和5年前期-問22 | 図のような回路について、AB間の合成抵抗の値に最も近いものは1~5のうちどれか。 |
| 令和4年前期-問22 | 図のような回路について、BC間の合成抵抗Rの値と、AC間に200Vの電圧をかけたときに流れる電流Iの値の組合せとして、正しいものは1~5のうちどれか。 |
| 令和3年後期-問22 | 図のような回路について、BC間の合成抵抗Rの値と、AC間に200Vの電圧をかけたときに流れる電流Iの値の組合せとして、正しいものは1~5のうちどれか。 |
| 令和3年前期-問22 | 図のような回路について、AB間の合成抵抗の値に最も近いものは1~5のうちどれか。 |
| 令和2年後期-問22 | 図のような回路について、AB間の合成抵抗Rの値と、AB間に200Vの電圧をかけたときに流れる電流Iの値の組合せとして、正しいものは1~5のうちどれか。 |
| 令和元年後期-問22 | 図のような回路について、BC間の合成抵抗Rの値と、AC間に100Vの電圧をかけたときに流れる電流Iの値の組合せとして、正しいものは1~5のうちどれか。 |
| 平成29年後期-問22 | 図のような回路について、AB間の合成抵抗Rの値と、AB間に200Vの電圧がかかるときに流れる電流Iの値の組合せとして、正しいものは1~5のうちどれか。 |
| 平成27年後期-問28 | 図のような回路について、BC間の合成抵抗Rの値と、AC間に400Vの電圧をかけたときに流れる電流Iの値の組合せとして、正しいものは1~5のうちどれか。 |
| 平成27年前期-問24 | 図のような回路について、BC間の合成抵抗Rの値と、AC間に400Vの電圧をかけたときに流れる電流Iの値の組合せとして、正しいものは1~5のうちどれか。 |
| 平成25年後期-問25 | 図のような回路について、BC間の合成抵抗Rの値と、AC間に400Vの電圧を加えたときに流れる電流Iの値の組合せとして、正しいものは1~5のうちどれか。 |
|
平成23年前期-問25 |
|
| 平成19年後期-問22 | 図のような回路に200Vの電圧を加えたときに流れる電流(I)として、正しいものは次のうちどれか。 |